Ecobee 4 Humidifier Wiring Diagram - Aprilaire 700 Humidifier With Nest Thermostat Terry Love Plumbing Advice Remodel Diy Professional Forum - Additional room sensors are sold separately.

Ecobee 4 Humidifier Wiring Diagram - Aprilaire 700 Humidifier With Nest Thermostat Terry Love Plumbing Advice Remodel Diy Professional Forum - Additional room sensors are sold separately.. I would use the 7 conductor to wire up the furnace, and then a separate 2 conductor to wire up the humidifier. You will be shown a diagram of the wiring connections. View online or download 1 manuals for ecobee ecobee4. The ecobee4 is easy to install. Each component ought to be set and linked to different parts in particular way.

The ecobee4 is easy to install. After the weather got cold wiring it up didn't turn out to be difficult, but it also wasn't quite as straight forward as replacing the thermostats so i thought it might be useful to document the process. Ecobee suite is a collection of applications and device drivers that serve to integrate ecobee thermostats with the smartthings and hubitat elevation home automation platforms. Collection of ecobee4 wiring diagram it is possible to download totally free. I didn't think to wire in the humidifiers when i initially replaced the thermostats in our house for a pair of ecobee 3.

Humidifier Wiring Diagram Paging Horn Wiring Diagram Begeboy Wiring Diagram Source
Humidifier Wiring Diagram Paging Horn Wiring Diagram Begeboy Wiring Diagram Source from www.doityourself.com
However, my setup has a zone controller where i have two thermostats connected to the zone controller that can both call for heat on two different levels of the house independently(one. If so, you can configure a humidifier, dehumidifier, or ventilator to work with your system. The diagram below is an example of this on an old carrier thermidistat with a variable speed carrier fan coil. Heat pump (air or geothermal) with auxiliary heat. The ecobee4 is easy to install. Ecobee suite is a collection of applications and device drivers that serve to integrate ecobee thermostats with the smartthings and hubitat elevation home automation platforms. You need to figure out what the wires go to first. For example , if a module is usually powered up and it also sends out a new signal of fifty percent the voltage plus the technician does not know this.

Once we installed the ecobee4, you can select which sensors will.

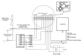
You can examine ecobee ecobee4 manuals and user guides in pdf. The following pages provide wiring diagrams for common hvac equipment configurations. However, my setup has a zone controller where i have two thermostats connected to the zone controller that can both call for heat on two different levels of the house independently(one. I didn't think to wire in the humidifiers when i initially replaced the thermostats in our house for a pair of ecobee 3. You will be shown a diagram of the wiring connections. Control internal humidity and manage frost buildup using the smart thermostat. Here is a diagram of my thermostat and hvac. Ecobee suite is a collection of applications and device drivers that serve to integrate ecobee thermostats with the smartthings and hubitat elevation home automation platforms. Please download these ecobee4 wiring diagram by using the download button, or right select selected image, then use save image menu. You have joined a growing community. You need to figure out what the wires go to first. The ecobee4 comes with a room sensor to help manage hot or cold spots in your home. These labels, along with a photo of the existing setup, should make it next, you'll need to confirm if any type of accessory is in place.

Adding extra sensors made the ecobee4 the most effective thermostat we've ever had. Of people who want to conserve energy, save money, and do something good for our planet. View online or download 1 manuals for ecobee ecobee4. The diagram below is an example of this on an old carrier thermidistat with a variable speed carrier fan coil. You will be shown a diagram of the wiring connections.

Connect Powered Humidifier To Ecobee 4 Thermostat Doityourself Com Community Forums Humidifier Thermostat Ecobee
Connect Powered Humidifier To Ecobee 4 Thermostat Doityourself Com Community Forums Humidifier Thermostat Ecobee from i.pinimg.com
It also has an led strip on its top edge that glows blue when you begin a voice command with alexa. Here is a diagram of my thermostat and hvac. The ecobee4 is easy to install. Collection of ecobee4 wiring diagram it is possible to download totally free. After the weather got cold wiring it up didn't turn out to be difficult, but it also wasn't quite as straight forward as replacing the thermostats so i thought it might be useful to document the process. I'm trying to wire it the same way as the attached picture in color from the amazon review to work with my ecobee 4. The diagram below is an example of this on an old carrier thermidistat with a variable speed carrier fan coil. Adding extra sensors made the ecobee4 the most effective thermostat we've ever had.

If so, you can configure a humidifier, dehumidifier, or ventilator to work with your system.

Ecobee suite is a collection of applications and device drivers that serve to integrate ecobee thermostats with the smartthings and hubitat elevation home automation platforms. You need to figure out what the wires go to first. The following wiring diagrams are for the smartthermostat with voice control and ecobee4 thermostats and common hvac equipment. Control internal humidity and manage frost buildup using the smart thermostat. You answered my question about accessory wiring and how to properly interface the ecobee. I wired the 2 wires coming from the solenoid of the humidifier straight to the relay but didn't leave the other wires going to the humidifier thermostat connected to i checked my connections as per your instructions and diagram. The ecobee4 is easy to install. I am a big fan of ecobee for many reasons including their alexa integration, remote wireless sensors and application flexibility… but you need to be really careful with how you set them up. Additional room sensors are sold separately. When i checked the ecobee for installed equipment, the humidifier was not listed. Here is a diagram of my thermostat and hvac. Need help with your ecobee3 wiring? Please download these ecobee4 wiring diagram by using the download button, or right select selected image, then use save image menu.

Here is a page from the ecobee4 manual do you have any other devices on this system? Ecobee suite is a collection of applications and device drivers that serve to integrate ecobee thermostats with the smartthings and hubitat elevation home automation platforms. Hooking up single wire humidifier to ecobee. Each component ought to be set and linked to different parts in particular way. Wiring diagrams help technicians to find out how a controls are wired to the system.

Diagram Ecobee4 Humidifier Wiring Diagram Wiring Diagram Full Version Hd Quality Wiring Diagram Diagramtalk Renefallet Agir Fr
Diagram Ecobee4 Humidifier Wiring Diagram Wiring Diagram Full Version Hd Quality Wiring Diagram Diagramtalk Renefallet Agir Fr from schematron.org
Do you have a wire diagram for. The diagram below is an example of this on an old carrier thermidistat with a variable speed carrier fan coil. Heat pump (air or geothermal) with auxiliary heat. I am a big fan of ecobee for many reasons including their alexa integration, remote wireless sensors and application flexibility… but you need to be really careful with how you set them up. Ecobee4 humidifier wiring diagram to properly read a cabling diagram, one offers to learn how the particular components within the program operate. Hooking up single wire humidifier to ecobee. For example , if a module is usually powered up and it also sends out a new signal of fifty percent the voltage plus the technician does not know this. The ecobee4 looks very similar to the ecobee3, but there are subtle differences.

We had to label all the wires.

Here is a page from the ecobee4 manual do you have any other devices on this system? These labels, along with a photo of the existing setup, should make it next, you'll need to confirm if any type of accessory is in place. Of people who want to conserve energy, save money, and do something good for our planet. I would use the 7 conductor to wire up the furnace, and then a separate 2 conductor to wire up the humidifier. Control internal humidity and manage frost buildup using the smart thermostat. Proposed ecobee wiring there is an error here, y2 should be w2. For example , if a module is usually powered up and it also sends out a new signal of fifty percent the voltage plus the technician does not know this. You have joined a growing community. Ecobee suite is a collection of applications and device drivers that serve to integrate ecobee thermostats with the smartthings and hubitat elevation home automation platforms. The ecobee4 looks very similar to the ecobee3, but there are subtle differences. However, my setup has a zone controller where i have two thermostats connected to the zone controller that can both call for heat on two different levels of the house independently(one. We had to label all the wires. The following wiring diagrams are for the smartthermostat with voice control and ecobee4 thermostats and common hvac equipment.

I would use the 7 conductor to wire up the furnace, and then a separate 2 conductor to wire up the humidifier ecobee 4 wiring diagram. View online or download 1 manuals for ecobee ecobee4.

Belum ada Komentar untuk "Ecobee 4 Humidifier Wiring Diagram - Aprilaire 700 Humidifier With Nest Thermostat Terry Love Plumbing Advice Remodel Diy Professional Forum - Additional room sensors are sold separately."

Posting Komentar

Iklan Atas Artikel

Iklan Tengah Artikel 1

Iklan Tengah Artikel 2

Iklan Bawah Artikel